新闻动态

  • 变压器低压侧母线避雷器的安装接线及绝缘化要求

    变压器10千伏母线避雷器安装维护不当易造成近区故障对主变造成冲击。本篇分析避雷器的工作原理,结合现场日常检修工作,阐述低压母线避雷器几种常见错误接线,并提出最新绝缘化要求,加强对微型、简易工作的重视度程度,避免“小设备”引发“大问题”。

    2024-06-19 ML SPORTS

  • 金属氧化物避雷器的类型

    金属氧化物避雷器有:无间隙、带串联间隙和带并联间隙三种结构型式,其中无间隙的最为常见。 (1)无间隙结构的ZnO避雷器。无间隙ZnO避雷器的结构简单、紧凑,具有优良的电气特性,因而这类结构在ZnO避雷器发展过程中始终占有主流的地位。

    2024-04-29 ML SPORTS

  • 避雷器的损坏原因及防止措施

    为保护电力设施免受雷电过电压和系统过电压的冲击,普遍安装使用了金属氧化物避雷器。特别是在10kV配电网中普遍采用了无间隙金属氧化物避雷器,随着运行时间的推移,在10kV配电网中因金属氧化物避雷器损坏引起的线路跳闸、接地事故经常发生,严重影响了10kV配电网的安全运行。

    2024-04-22 ML SPORTS

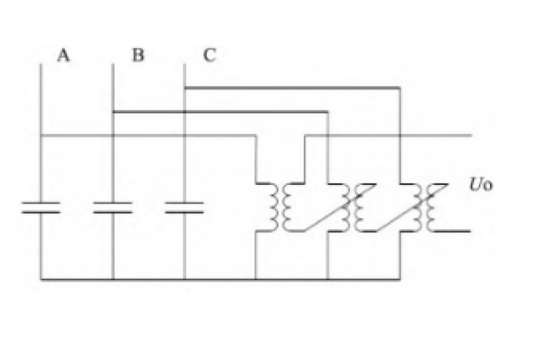
  • 电容器组不平衡保护四种接线方式

    电容器组不平衡保护四种接线方式

    2023-09-25 ML SPORTS

上一页1下一页 转至第
首页
产品
新闻
联系