新闻动态

  • 电接点水位计显示面板不准

    由于水和汽的导电性能差别极大,以发电厂锅炉汽包为例,一般水阻在几十KΩ,汽阻在1MΩ以上,测量筒的作用就是将水位的高低通过电接点阻值的变化,转换为电信号送至二次仪表进行运算和逻辑判断,最后以发光二极管和数码管准确显示水位值。

    2025-08-20 ML SPORTS

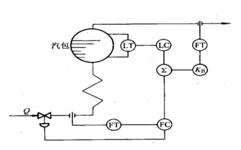
  • 锅炉汽包液位三冲量控制系统

    主被控变量:汽包液位,由液位变送器(LT)测量,经导压管将汽包内液位信号引出,送至主调节器(LC)。 副被控变量:给水流量,由流量变送器(FT2)测量,安装在给水管道的孔板处,通过导压管将差压信号转换为电信号,送至副调节器(FC)。

    2025-08-08 ML SPORTS

  • 膜盒压力表和隔膜压力表区别,别弄混了!

    膜盒压力表和隔膜压力表,虽然只有一字之差,但是两者在结构、工作原理、适用介质和场合等方面存在显著差异,是两种不同类型的压力测量仪表。

    2025-08-04 ML SPORTS

  • DCS系统的切断阀允许加旁路吗?

    在工业过程控制系统中,DCS(分散控制系统)切断阀是否允许加旁路需结合工艺安全、可靠性及规范要求综合判断。以下是关键分析:

    2025-07-09 ML SPORTS

  • 浮筒液位计指示异常的六大原因及解决方案

    在工业生产过程中,浮筒液位计作为一种常用的液位测量仪表,其准确指示对于生产的稳定运行至关重要。一旦液位指示出现异常,可能会引发一系列问题,影响生产效率与产品质量。以下将详细探讨浮筒液位计液位指示不正常的可能原因,并结合实际案例进行分析。

    2025-06-30 ML SPORTS

  • 常用不锈钢的性能对比

    主要考虑防锈,硬度,加工性能等,201 202 301 304 316 在防锈耐热韧性都依次提升。202 304 316 对应的密度:7.74 7.93 7.98;在 100 温度下的热导率 16.3 16.3 20.5; 膨胀系数温度 20--100 15.5 16.0 16.0; 电阻率温度 20: 0.65 0.73 0.75。

    2025-06-19 ML SPORTS

  • 电接点水位计的一个注意事项

    电接点水位计是一种利用水和蒸汽导电率差异来测量水位的仪表设备,它利用连通器的原理将汽包水位反映到测量筒内,测量筒的电极在水中对筒体的阻抗小,在蒸汽中对筒体的阻抗大,随着水位的变化,电极在水中的数量产生变化,转换成电阻值的变化,传送到二次仪表,从而实现水位的显示、报警、保护联锁等功能。

    2025-05-30 ML SPORTS

  • 截止阀流向一定是“低进高出”吗?

    截止阀依靠阀杆带动阀瓣上下移动来实现开启和关闭。截止阀的流向设计通常遵循“低进高出”的原则,即介质从阀座下方进入,然后从阀座上方排出。但并不是绝对的,具体需要根据实际情况来分析判断。

    2025-05-21 ML SPORTS

上一页1234567...26下一页 转至第
首页
产品
新闻
联系