行业知识

电气高压电缆耐压试验中局部放电测试介绍

2022-08-25 09:21:35 ML SPORTS电气

电气高压电缆耐压试验中局部放电测试介绍


01、高压电缆局放测试的背景

1.1 高压电缆的应用情况

交联聚乙烯电缆因其具有电性能高、输送容量大、重量轻、运行维护方便等优点,高压电缆线路基本上都使用了该类型的高压电缆。

图片关键词


1.2 高压电缆的故障

高压电缆故障的主要原因在于产品质量和施工质量,其中电缆附件占故障总量的90%,薄弱环节表现在电缆终端头和中间接头,主要由于设计不良、材料选择不当、安装制作工艺不良三个方面的原因造成。

图片关键词


1.3 高压电缆局放测试的必须性

《电气装置安装工程电气设备交接试验标准》(GB 50150-2006 )要求新竣工的电缆需要进行耐压试验,高压电缆交流耐压等效电路如下图,用C1、C2、C3组合模拟被试电缆的各个绝缘部件,在试验过程中C1、C2、C3同时承受高电压的考验。

图片关键词


交流耐压试验技术存在不足,体现在如下两个方面:

a)交流耐压试验只关注电缆整体能否完整承受试验电压的考验,其判断标准为电缆是否通过了交流耐压试验,缺少电缆在试验过程中可能出现的局部损伤和破坏的监测手段。

b)如电缆内部存在局部放电,但是电缆依然有可能能够通过交流耐压试验,内部有缺陷的电缆带病运行,电缆安全运行存在一定风险。


因此检测高压电缆在耐压过程中的局放信号。


02、电缆产生局部放电的成因

2.1 局部放电

局部放电是指高压设备中的绝缘介质在高电场强度作用下,发生在电极之间的未贯穿的放电。这种放电只存在于绝缘的局部位置,而不会立即形成贯穿性通道,因此称为局部放电。


2.2 电缆局放的局放位置

交联聚乙烯(XLPE)电缆的绝缘材料为固态塑料结构。在制造过程中如混入金属杂质、出现气孔空洞,或由于内、外半导体层不规则突起引起高压场强的不均匀,或绝缘中存在的电树等,在这些部位都有可能出现局放。随着电缆制造技术的发展和质量控制水平不断提高,由上述原因产生的局放在现场测试中已经微乎其微。交联聚乙烯电缆中检测出的局放点一般都出现在中间接头和终端头上。


2.3 电缆局部放电的危害

局部放电的能量很小,通常不影响电缆短期的绝缘强度。但是长期存在着局部放电,即可以缓慢损坏绝缘,日积月累,最终导致绝缘击穿。此外受化学性质决定,交联聚乙烯绝缘的电缆耐局部放电的性能较差,长时间的局部放电会加速其绝缘劣化,最终使其发生故障。


2.4 电缆中间头因制作工艺不良引发局放的图集

图片关键词

压接管包绕绝缘带

图片关键词

应力锥安装位置错误

图片关键词

绝缘混合剂涂抹位置错误

图片关键词

绝缘屏蔽(外半导电层)剥切不整齐


03、高压电缆局放测试的原理

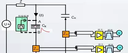
一旦被试电缆发生局部放电,耦合电容Ck瞬时对Cx充电,形成高频的脉冲电流波形,脉冲电流波形达到纳秒级别,其频谱高达百兆以上,脉冲电流的幅值大小、发生的频度反映电缆内部局部放电的严重程度。

图片关键词

图片关键词

图片关键词

利用局放监测系统在耐压过程可严密监视局放信号随电压和时间变化的趋势,掌握电缆缺陷严重程度的变化。


高压电缆局部放电的严重程度通过其局部放电量来反映,要测试局放量必须对测试系统进行校准。


在被试验电缆Cx注入标准局放信号Qo以模拟被试对象发生了局部放电,当标准局放信号注入时,检测阻抗Zm1、Zm2输出信号,测试系统M获取局放信号的幅值大小、相位分布特征、频谱特性等信息。


局放测试时参照校准信息就可以计算出局放量的大小,对电缆局部放电的严重程度、局放类型评估,作出正确的判断。

图片关键词

高压电缆局放测试的方法因


04、4.1 交流耐压试验电源处理

高压电缆交流耐压采用的是变频谐振装置产生试验电源,变频柜是装置的核心部件,变频柜通过晶闸管的整流和逆变获取试验所需的频率,在电源变换过程中引入了大量的高频脉冲电流成份。


变频谐振系统输出的电源不能直接作为电缆局放试验的电源直接施加于被试对象进行局部放电测试,必须采取有效措施对试验电源进行预处理,通过设置串联电抗、防晕导线、均压环进行对试验电源质量进行改善,其电气原理所下图所示。


4.2 电缆终端局放测试回路

电缆终端的局放测试回路如下图,当被试电缆内部发生了局部放电时,耦合电容瞬时对电缆终端充电,形成高频的脉冲充电电流波形,脉冲电流的幅值、发生的频度反映了电缆内部局部放电的严重程度,通道1、通道2两个传感器将局放信号传送至局放诊断系统进行分析处理。


在电缆的中间接头,测试原理如图所示,一侧电缆的铠装与电缆导体之间存在电容Ca,另一侧电缆的导体与铠装之间存在电容Cb,如果在电缆的中间接头发生局部放电,那么形成两个电容C1和C2,此时Ca和Cb就会通过导体向C1和C2充放电,从而形成局放电流回路,在两侧电缆屏蔽层桥接一个高频低阻的电容臂C0和高频电流传感器,就可以检测到局放的脉冲电流信号。

图片关键词

图片关键词

4.3 高压电缆局放测试的技术难点

a) 测试系统灵敏度要求高

高压电缆发生局放时产生的脉冲信号微弱,要求传感器及测试系统有相当高的检出灵敏度。


b) 现场干扰因素复杂

在现场实施电缆局放试验时干扰信号会严重影响电缆局放的检测和诊断,主要有临近试验现场的运行设备产生的电晕或者局部放电信号、交流耐压试验装置自身的局部放电信号、交流耐压试验回路的引线产生的电晕信号三个方面的因素。

因此甄别并排除干扰信号、提取有效的信息并根据其特征诊断电缆的绝缘状态是一项具有挑战性的技术难题。


c) 对测试人员的要求高

高压电缆局放的信号主要集中在0-30MHz范围内,信号频带较宽,加上现场存在一定的干扰信号,测试人员通过信号抑制、识别、分类、提取、判断等技术手段,准确的解析复杂的电子信号成份实现电缆的状态诊断。这项技术要求测试人员熟练使用示波器、频谱仪、滤波器等电子设备,并具备高频电子信号分析判断能力。


d) 国家标准及行业标准没有明确的指引

高压电缆局放测试是目前国内比较新的技术应用课题,国内仅有北京供电局进行过类似尝试,佛山局在这一技术领域走在了国内前列。


4.4 局放诊断判据

(1) 通过大量的试验室模拟和现场测试结果显示:局放信号的相位与试验电源的相位具有180度或360度的相位特征,同时发生在一定宽度的相位上。

(2) 在测试中若发现存在多种信号源,需运用带通滤波器分别提取不同频带的脉冲信号进行单独分析;

(3) 局放传感器采集到的高频脉冲信号的波形和频谱是否具有典型局放特征(脉冲波形上升沿一般为几十纳秒);

(4)必要时,将实际测试局放波形与利用模拟局放源对测试回路进行校准时的波形进行反复类比,观察其信号的相似性;

(5) 极性判别法:运用脉冲波形的极性鉴别局放源的位置。

4.5 交流耐压时进行局放测试的优点

1. 在进行电缆耐压试验过程中同时进行局放测试,由于电缆耐压试验电源采用异频电源,工频信号在试验电源的相位图谱上不具有相关性,只有试验系统内部的局放信号可能在试验电源的相位图谱上具有相关性,利用这一点可有效排除运行设备产生的干扰信号。试验装置自身的局放信号是晶闸管的开通关闭造成,一般集中在特定相位,这类干扰在一定程度上可通过“开相位窗”予以排除。


2. 高电压状态下局放测试的灵敏度高,高压电缆交流耐压时所施加的电压为2U0,利于将电缆内部的缺陷检。

(a)对于在1U0下不产生局放信号的缺陷,在2U0下激发下产生局放,缺陷才可能被发现。

(b)对于同样的电缆缺陷,电压越高,产生的局放信号越大,检出的灵敏度越高。


3. 局放的提前发现对运行安全、设备检修的影响。

通过局放测试,可以在电缆投运前发现缺陷,施工人员有足够的时间和空间查明原因、消除缺陷,避免电缆带病投入运行后重复停电,影响电网的正常运行。


4.6 局放测试系统

SPD局放检测系统的信号处理主要由硬件实现,信号波形保持较真实。检测时信号经电容臂从电缆终端耦合,通过传感器PDD 将信号检取,送到高通滤波器HPF滤波, 再送到局放测试主机PDM,通过一系列的滤波、放大及模、数转换等处理,去除干扰信号,得到所需信号送至后台分析软件进行判定,主要是从频率f、相位Φ、频度n、电量q、时间t五个因素判断,在软件上可以清楚地看到这几个量的大小,以及之间的相互关系,通过它们之间的关系,对存在的可疑局放的可能性作一个分析。

图片关键词

图片关键词

MPD600 局放诊断系统侧重于由软件实现对信号的分析处理,具备频谱分析功能,在频谱图上可连续自由选择滤波器中心频率及带宽,屏蔽干扰信号的影响,通过调节触发电平的大小在一定程度上可排除干扰因素。

图片关键词

图片关键词

PDCHECK诊断系统与前面两个系统的优势在于没有设置带通滤波器来排除干扰信号的影响,而是对超过触发电平的所有脉冲信号进行分析,计算出每个脉冲的脉冲宽度及中心频率,根据这两个特征量将脉冲进行分类,采取这种方式可以最大限度的排除干扰,得到真实局放信号的幅值会较大,检测灵敏度好。


首页
产品
新闻
联系