继电保护也会犯浅显错误
继电保护也会犯浅显错误
继电保护专业,我一直认为是电力系统各专业中技术性 最强的专业之一。特别是专业性格,非常的严谨细致。
但,依然会出一些浅显的错误。
最近就听闻一次,在电流接线端子做安全措施时,短接线脱落,造成电流回路一相开路,形成的继电保护误动事件。
浅显的错误
这次事件中,涉及到了二分之三接线,运行断路器和检修断路器电流回路隔离的安全措施。
这是一个常规操作。
但问题出在,工作人员短接运行电流回路,采用了插接的接线方式。在工作中,插头脱落,造成了电流互感器开路。

而作为一个继电保护专业人员应该具备的基本知识,“短接电流互感器二次回路时一定要用短路片或短路线,严禁用导线缠绕”。
什么意思?
就是一定要保证短路线安装可靠,不能脱落。
继电保护为什么会动作
这次动作的继电保护是零序过流保护。
当短接线脱落,电流互感器 二次回路开路时。
相应电流不能流入继电保护装置,三相电流向量和不为零,形成零序电流,因此继电保护装置启动,并在达到零序三段动作时间后,动作。

作为非专业人士,我突然想。这种电流二次回路开路,对继电保护装置而言,并未感知到电流增大,并不对应于电力系统故障电流变大的典型特征,是不是继电保护不应该动作?
朋友说,不对。
如果系统发生了断线故障,同样是一相电流消失,产生零序电流,继电保护装置当然要动作。
当然两者还是有区别的,真的是系统发生了故障,产生了零序电流,一定会有零序电压伴随,因此出现了零序电压闭锁零序电流保护的功能。
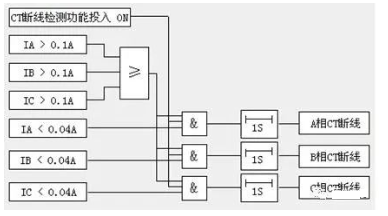
CT断线继电保护是否要动作
对于这次事故中出现的情况,继电保护装置当然能够判断出电流互感器发生了二次断线。
这时候继电保护装置还要不要动作。

有一种说法是,电流互感器二次回路断线,并不是电力系统故障,因此继电保护装置不应该动作,也因此CT断线判别是几乎所有继电保护的基本配置。
当然还有一种说法是,电流互感器二次回路断线,如果长时间持续,对一次设备将带来危害,甚至引发事故,因此继电保护装置应该动作。我觉得应用层面上,可能因不同的继电保护装置而不同吧。
比如,母线差动保护,一旦动作影响范围非常大,因此CT断线会闭锁差动保护动作。
但如本次事故中的零序电流保护,往往只是单间隔设备的后备保护,即使动作影响不大,因此CT断线可以不闭锁保护动作。