反应炉点火系统有那些仪表设备组成
2024-04-18 08:33:26
ML SPORTS
目录
1、点火枪的构成
2、各管线连接的介质
3、现场按钮触发那些功能
4、点枪时常遇到的故障
一、点火枪的构成:

火花塞

电极

分配器

支撑电极的陶瓷管和弹簧

点火枪,枪头部分各连接口,分别连接火花塞,推进器,燃料气,空气

点火枪推进器
点火枪的构成:

点火电器设备:

220V变5KV的变压器

220V变6KV的变压器
离子火焰检测器,检测火焰燃烧产生的离子电流

火焰检测器,当检测到火焰时亮起,13/14号端子有5伏左右的电压

火焰检测器,当检测到火焰时亮起,8/9号端子电流大约在12uA以上
点火电器设备:


延时继电器,从字面上看它可以延时最长15秒,带电后吸和,或断开,当时间达到设置时间时,继电器内部的气囊会顶开一个小弹片,使继电器相应的动作
点火系统的构成:




点火枪结构图:

1、(保护罩) 2、(火花塞 ) 3、(连接块) 4、(绝缘衬套) 5、(枪主体) 6、(点火电极)39、(仪表风接口) 47、(燃料气接口) 54、(固定法兰)

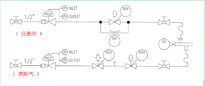
点火枪配管图:




配风比正常后火焰形态



点枪时常遇到的故障
长明灯点火枪能点着火,但离子火检仪检测不到火焰是什么原因?
如能点着火,火检检测不到信号一般情况是空气和燃料气匹配不对,火焰强度不够,检测不到,可以用万用表测量离子火检仪上的电流值是否在12微安以上,如果电流太低就要重新调整空气和燃料气的配比。
长明灯点火枪不打火是什么原因?
如果点火枪不打火,应检查控制箱里电源是否正常,点火变压器是否有短路现象,点火接线盒内各接线端子是否接线正确、牢靠。同时检点火电极是否有短路现象,绝缘瓷环、支撑弹簧是否有损坏,如果有就需要更换。
TAG:
点火系统